隧道盾构管片设计系统介绍
1 概述
《隧道盾构管片设计系统》,是深圳八叉树科技有限公司研发的盾构管片自动出图系统,其目标是实现参数化三维管片模型的精准构建,并自动化生成结构图与配筋图。目前,该系统已成功实现参数化三维管片建模、结构图以及自动绘制配筋图的功能开发。传统管片三维结构图的绘制依赖人工,不仅耗时长、误差大,还需重复操作,难以满足盾构管片设计的紧迫时间要求。该系统显著提升了管片建模与出图的效率,同时确保了极高的精度。
目前管片三维结构图依靠人工绘制,绘制时间较长,孔洞位置及尺寸误差较大,且需要重复绘制,很难满足盾构管片设计的时间要求。本系统的出现,极大地提高了管片建模和出图的工作效率,并且具有很高的精度。

3 主要功能
软件是在AutoCAD上运行的插件,其主要功能包括:
- 绘制管片环
- 环缝切割
- 纵缝切割及管片环分块
- 螺栓及预埋件布置
- 自动生成结构图纸
3.1 绘制管片环
本系统可绘制楔形环(转弯环)或直线环。输入相关数据后,即可绘制出管片环的三维模型。



3.2 环缝切割
本系统可采用自定义的环缝切割条纹进行环缝切割,因此可适应任何环缝设计要求。软件算法充分考虑了楔形量造成的环缝切割宽度的变化,使得环缝与纵缝能够完美贯通。
在进行环缝切割之前,需要事先准备好两个dwg文件,一个为环缝上端面条纹dwg文件,另一个为环缝下端面条纹dwg文件。如下图,左侧为环缝上端面条纹dwg文件的截图,右侧为环缝下端面条纹dwg文件的截图。


在操作界面中选取好端面条纹,就可以进行环缝切割操作了。

切割后的环缝断面:

3.3 纵缝切割及管片环分块
按规定要求做好纵缝切割平面图形后,即可进行纵缝切割。
用户首先要做一组闭合的平面图形,需要做subtract的,放在"减"图层中;需要做union的,放在"加"图层。闭合的平面图形包括圆、椭圆、平面多段线。平面多段线中可以包含圆弧。

这些平面图形是分图层存放的,图层设置如下:

运行命令,设置好各分块的角度,选好纵缝切割平面图形。

分块结果:


纵缝:

环缝-纵缝贯通情况:

3.4 螺栓及预埋件布置
可布置纵向直螺栓、环向直螺栓、纵向弯螺栓、环向弯螺栓、预埋件。
3.4.1 纵向直螺栓


3.4.2 环向直螺栓

3.4.3 纵向弯螺栓


3.4.4 环向弯螺栓

3.4.5 预埋件

布置完螺栓和预埋件后生成的三维模型:

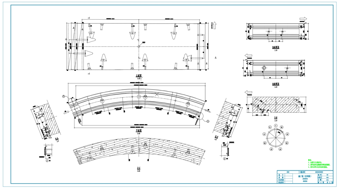
3.5 成图
具有"一键成图"功能,可一键操作自动生成所有结构图纸。

3.5.1 衬砌圆环构造图

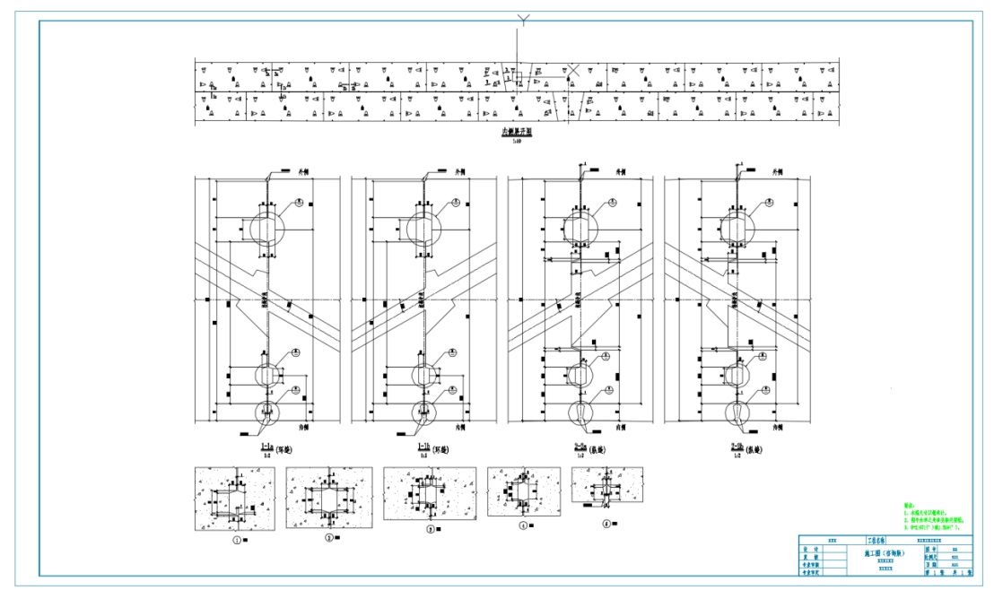
3.5.2 管片结构图
每个管片分块各出一张图。如果有6个标准块,就一共有9张管片结构图。下图为邻接块B2的管片结构图。

3.5.3 管片接缝构造图

